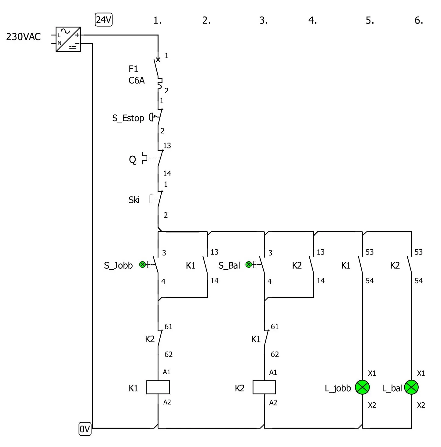
Háromfázisú aszinkronmotor írányváltó vezérlő áramköre
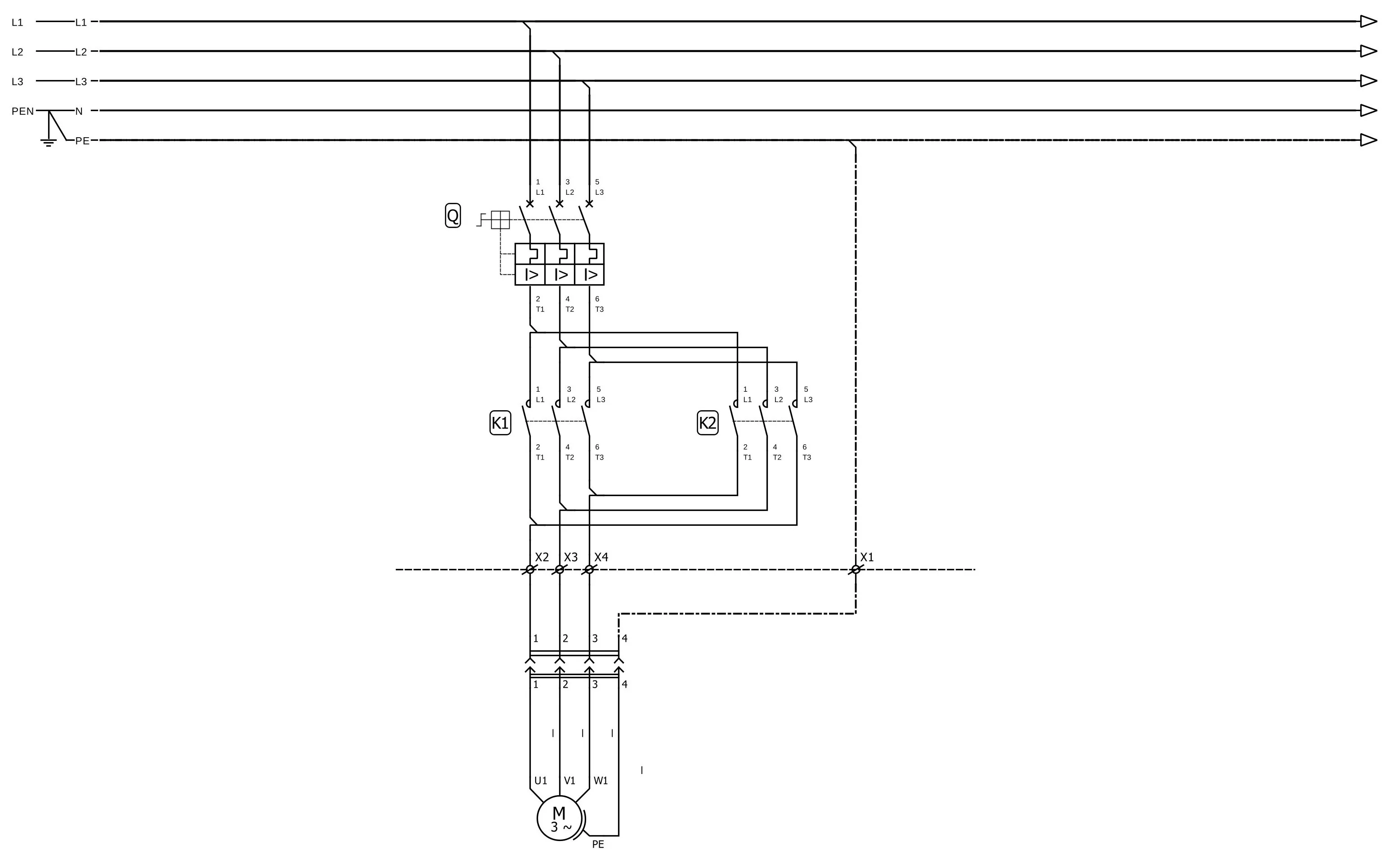
Háromfázisú aszinkronmotor írányváltó főáramköre
Háromfázisú aszinkronmotor Y/D vezérlő áramköre
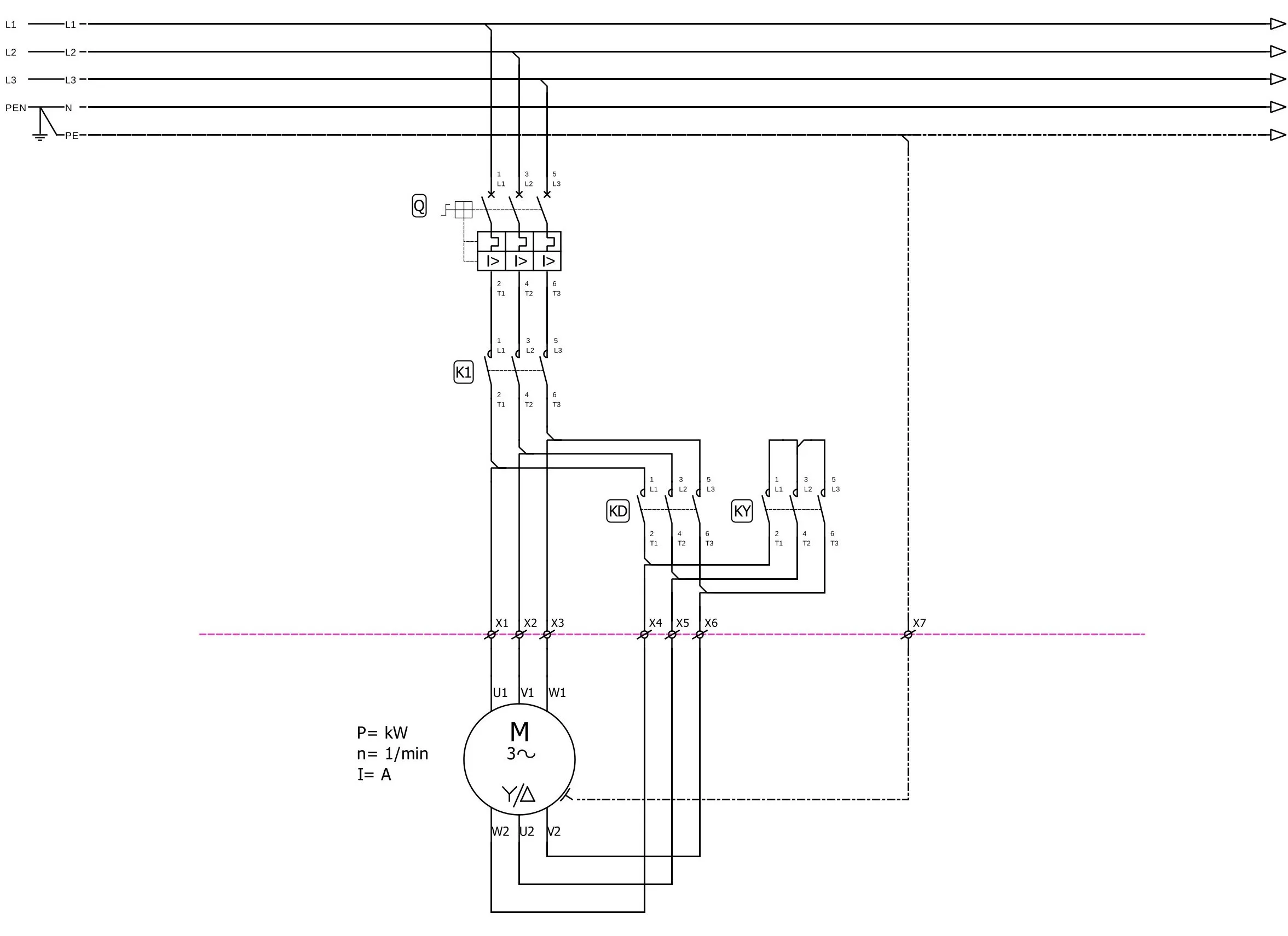
Háromfázisú aszinkronmotor Y/D főáramköre
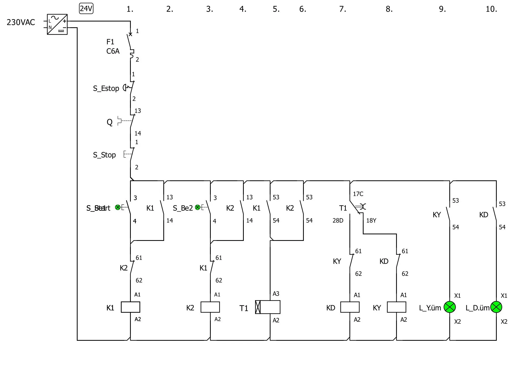
Háromfázisú aszinkronmotor írányváltós Y/D vezérlő áramköre
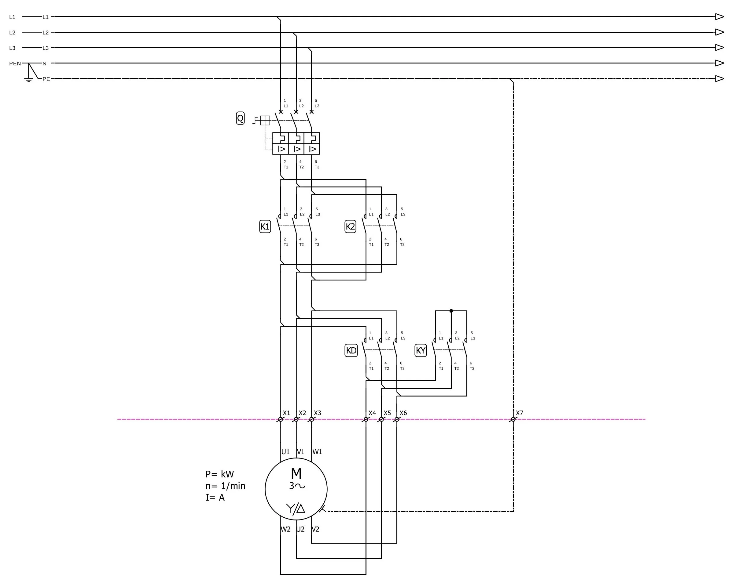
Háromfázisú aszinkronmotor írányváltós Y/D főáramköre
Egyfázisú aszinkron motor vezérlő áramköre

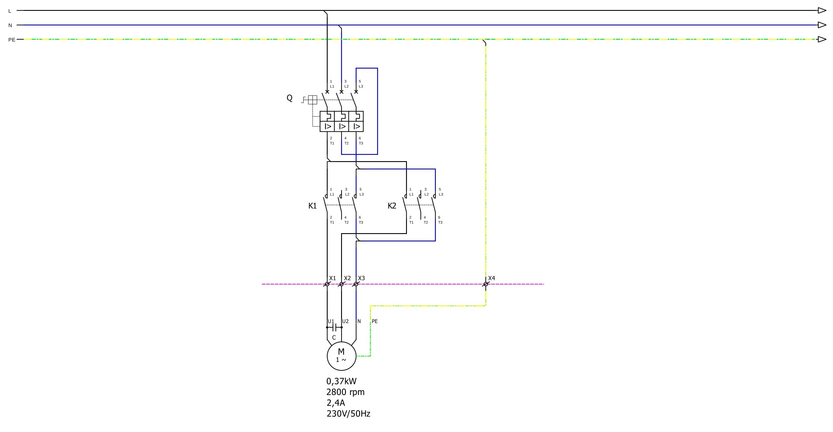
Egyfázisú aszinkron motor főáramköre
Egyfázisú aszinkronmotor vezérlő áramköre, dinamikus egyenáramú fékezéssel

Egyfázisú aszinkronmotor főáramköre, dinamikus egyenáramú fékezéssel









